電源作為電子設備必不可少的一個關鍵組成部分,任何搞硬件研發及維修或者學校課程都是不能回避的。搞過設計的朋友都知道,它的原理不復雜,但是要把電源做好做穩定卻是非常難的,今天飛天鷹科技就來為大家講解一下線性電源適配器的原理。
簡單的講,線性電源適配器的硬件主要由變壓器,整流電路,濾波電路,穩壓電路四個部分組成,如下圖。

市電的交流變成穩定的直流輸出主要有以下四步:
第一步,220V交流電源u1經過變壓器耦合降壓后變成低壓的交流電源u2。
第二步,低壓交流u2再經過全波整流電路后變成只有正電壓的大波紋u3。
第三步,u3經過大容值電容濾波后變成正電壓小波紋u4.
第四步,u4經過穩壓電路后變成相對穩定的直流電u0.
u0就能供給各種設備使用了。
經過上面4步,用示波器觀察,電壓的具體波形變化如下圖。

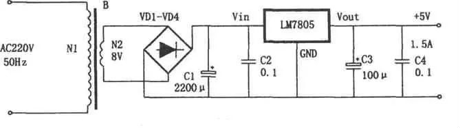
在實際電路設計中,最簡設計電路如下圖。B代表變壓器,N1和N2是變壓器的兩個繞組,經過調整N1與N2的繞線圈數比,我們可以得到不同的低壓交流。下圖中得到的是8V AC。

VD1-VD4四個二極管構成全波整流電路。C1為大容量電容,可將大波紋的正電壓(上圖中波形3)變成相對平直的正電壓(波形4)。C2可濾除整流后的部分高頻毛刺。LM7805是三端穩壓管,可將8V直流變為低紋波低噪聲的5V直流。C3和C4是對得到的5V直流電進行再濾波,得到超低紋波和噪聲的5V直流電。
為了獲得更好的電源,我們會在變壓器前端再加入防雷電路(3個壓敏電阻),會在三端穩壓管前后端加入更多容值的瓷片電容及CBB電容以改善紋波和噪聲。有的甚至會在電路中增加共模和差模電路,這里就不多做介紹了。